咨询在线客服
8888888888
服务热线
400-8698-639
官方微信公众号
业务合作微信
网站首页
关于我们
公司介绍
公司荣誉
生产车间
人才招聘
联系我们
按摩仪产品
颈椎按摩
腰部按摩
胸部按摩
石墨烯产品
颈椎按摩
腰部按摩
石墨烯能量
石墨烯智能
商务合作
招商加盟
媒体联络
供应链合作
新闻资讯
公司动态
行业动态
服务与支持
公司介绍
公司荣誉
生产车间
人才招聘
联系我们
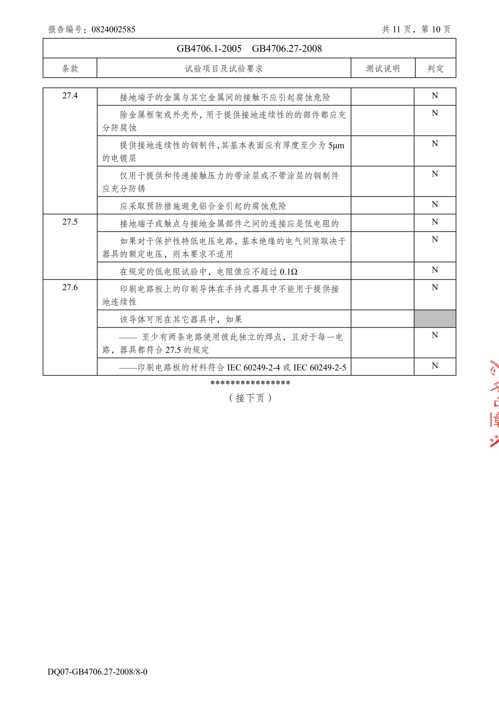
正本-深圳市晚成辉电子-挂脖风扇-质检
发布日期:2024-11-22 15:51:43 浏览次数:130次
上一篇:
正本-0824002827深圳市晚成辉电子-万能摇头底座
下一篇:
正式件-深圳市晚成辉电子-挂脖风扇CE,RoHS,FCC